

Polityka prywatności
Zasady dostawy
Zasady zwrotu
Profesjonalna pompa sprężarkowa do zastosowań przemysłowych i warsztatowych. Wszystkie elementy wykonane z żeliwa, co skutkuje jej wysoką trwałością i żywotnością. Solidnie wykonana, z najwyższą dbałością o szczegóły. Pompa posiada wziernik oleju pozwalający na kontrolę jego stanu. Pompa posiada szeroki użyteczny zakres obrotów roboczych, dzięki czemu jest kompatybilna z silnikami elektrycznymi o rożnej mocy.
Zalecana moc silnika dla tej pompy powinna mieścić się w zakresie od 5,5 do 7,5 kW. Obroty na wale pompy powinny wynosić od 800 do 1200 obr/min. Sprężarka zalecana jest do zbiorników o pojemności nie przekraczającej 500 litrów.
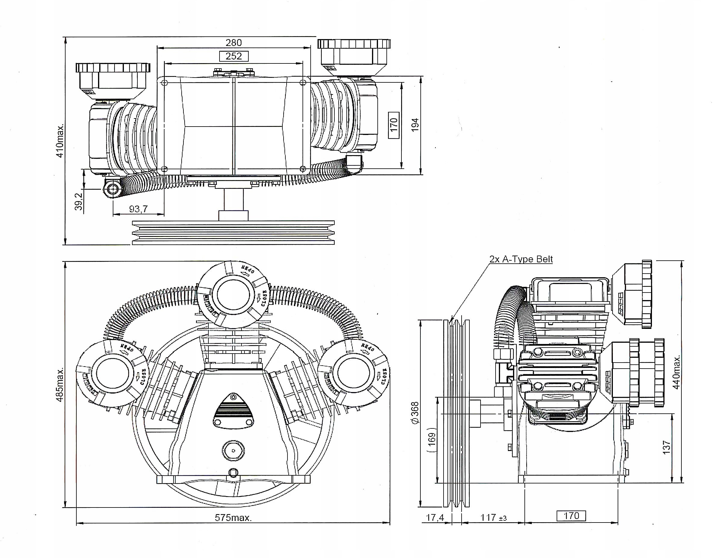
WYMIARY:
- średnica koła pasowego: 368 mm
- rozstaw otworów: 170 x 252 mm
- wysokość pompy: 400 mm
- wysokość z kołem pasowym: 485 mm
DANE TECHNICZNE:
- moc silnika: 7,5 kW
- obroty silnika: 2800 obr/min
- obroty pompy: 1200 obr/min
- koło pasowe silnika: 158 mm
- wydajność teoretyczna: 1085 l/min
- maksymalne ciśnienie: 10 Bar
DANE TECHNICZNE:
- moc silnika: 5,5 kW
- obroty silnika: 2800 obr/min
- obroty pompy: 800 obr/min
- koło pasowe silnika: 105 mm
- wydajność teoretyczna: 723 l/min
- maksymalne ciśnienie: 10 Bar
Opis